SCHROFF FCM2 180GRD. PWM

SCHROFF FCM2 180GRD. PWM

Melden Sie sich an, um unsere Preise zu sehen und bestellen zu können. Lieferung nur an Industrie, Handel, Handwerk, öffentliche Einrichtungen, Behörden und vergleichbare Institutionen. Kein Verkauf an Privatpersonen!

Anmelden
Lieferbar ca. 04.05.2026
Art.-Nr. 26166033
Marke / Hersteller SCHROFF
Herst.-Art.-Nr. 23207160
Paketgewicht 0,172 kg

Beschreibung

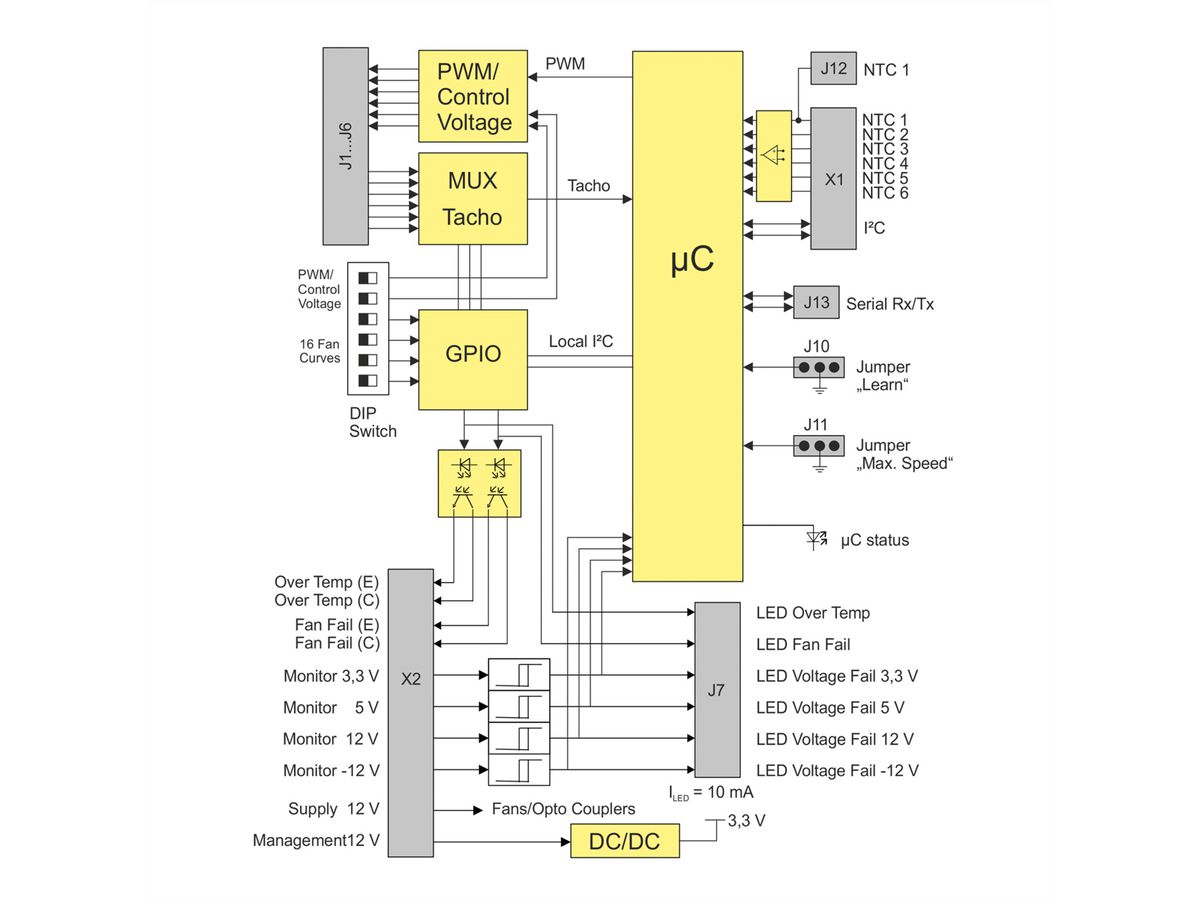
Lüftersteuerungs-Modul FCM2, Stecker gerade

Spezifikationen

Hersteller SCHROFF
Produktgruppe SCHROFF 19" Schränke & Ausbauteile
Produkttyp CompactPCI Systeme
Höhe 15 mm
Tiefe 119 mm
Verpackungshöhe 80 mm
Verpackungsbreite 170 mm
Verpackungstiefe 350 mm
Paketgewicht 0.172 kg

Downloads

Hersteller-Datenblatt - Deutsch (703,4 KB)

Download

Hersteller-Datenblatt - English (702,6 KB)

Download

 

Das Angebot der Marke SCHROFF umfasst umfangreiches Zubehör rund um elektronische Baugruppen – von Kartenhalterungen, konduktionsgekühlten Leiterplattenrahmen, Frontplatten und Grillen bis hin zu Baugruppenträgern, Gehäusen, Backplanes, Netzgeräten, Schränken und vormontierten Einschüben für Embedded-Computer-Systeme. 

Die Marke SCHROFF ist seit über fünf Jahrzenten weltweit führend in Electronic-Packaging-Systemen.

Produktsicherheit

Angaben gemäß der Produktsicherheitsverordnung der EU, auch als General Product Safety Regulation (GPSR) bekannt:

Schroff GmbH
Langenalber Strasse 96-100, 75334 Straubenhardt, Germany
schroff.channel@nvent.com

Zuletzt besuchte Artikel

Sind Sie sich sicher?